本系列蝶球友会平台(中国)采用多层弹性金属硬密封结构,适用于煤气管道、可燃气体等介质管道上作为截流密封。密封圈为软硬结合层叠式金属片,具有金属密封和弹性密封的双重优点,无论在室内和高温工况下,均具有优良的密封性。三偏心结构具有越关越紧的密封功能及密封副磨损补偿性。可根据用户要求提供多种传动装置。(手动、电动、液动、气动)。

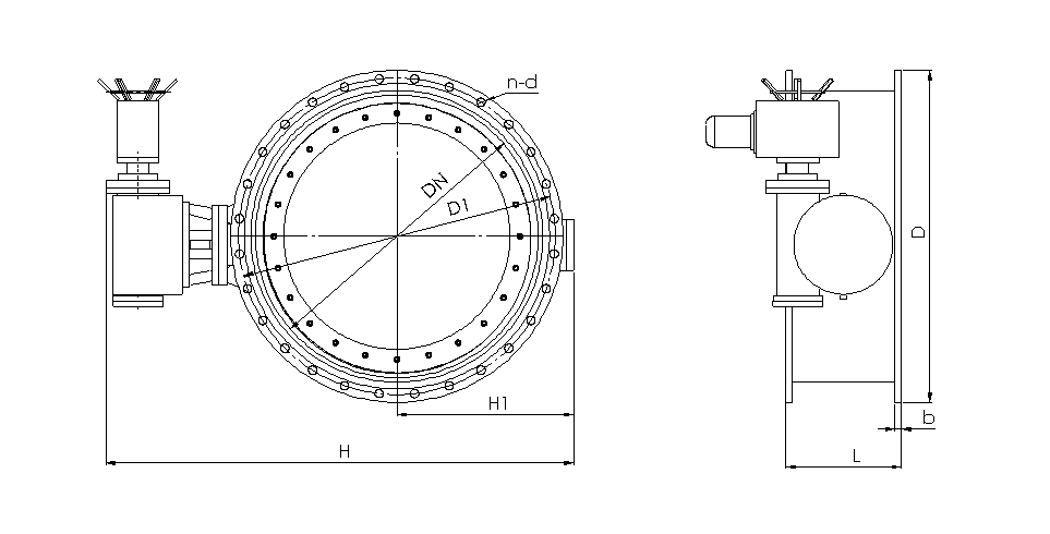
主要尺寸、参数及重量
DN | D | D1 | L | b | H | H1 | n-d | 质量 |
200 | 320 | 280 | 152 | 20 | 580 | 175 | 8-18 | 40 |
250 | 375 | 335 | 165 | 20 | 630 | 205 | 12-18 | 65 |
300 | 440 | 395 | 178 | 22 | 680 | 230 | 12-22 | 80 |
350 | 485 | 445 | 190 | 22 | 750 | 255 | 12-22 | 138 |
400 | 535 | 495 | 216 | 22 | 815 | 280 | 16-22 | 150 |
450 | 595 | 550 | 222 | 22 | 875 | 308 | 16-22 | 195 |
500 | 640 | 600 | 229 | 22 | 930 | 330 | 20-22 | 232 |
600 | 755 | 705 | 267 | 24 | 1025 | 380 | 20-26 | 297 |
700 | 860 | 810 | 292 | 24 | 1160 | 440 | 24-26 | 357 |
800 | 975 | 920 | 318 | 24 | 1320 | 495 | 24-30 | 523 |
900 | 1075 | 1020 | 330 | 30 | 1450 | 550 | 24-30 | 643 |
1000 | 1175 | 1120 | 410 | 30 | 1592 | 625 | 28-30 | 866 |
1200 | 1375 | 1320 | 470 | 30 | 1895 | 730 | 32-30 | 1053 |
1400 | 1575 | 1520 | 530 | 30 | 2060 | 850 | 36-30 | 1480 |
1600 | 1795 | 1730 | 600 | 30 | 2300 | 960 | 40-30 | 2015 |
1700 | 1890 | 1830 | 640 | 30 | 2420 | 1010 | 44-30 | 2150 |
1800 | 1985 | 1930 | 670 | 30 | 2580 | 1080 | 44-30 | 2285 |
2000 | 2190 | 2130 | 760 | 30 | 2800 | 1200 | 48-30 | 4310 |
2200 | 2405 | 2340 | 760 | 30 | 3150 | 1330 | 52-33 | 4820 |
注:本球友会平台(中国)可按用户要求设计制作。